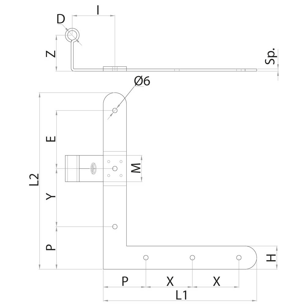
SERIE X350 - X355 Squadro sovrapposto zancato occhio centrale
DISEGNO TECNICO
| Articolo |
Codice |
Tipo |
L1+L2 |
H |
D |
I |
Z |
Sp. |
M |
P |
E |
X |
Pcks |
Listino |
B2B |
| X5-350-10 |
A0195789 024 |
DX |
200 + 230 |
30 |
Ø12 |
50 |
45 |
3 |
34 |
55 |
75 |
60 |
12 |
//
|
|
| X5-355-10 |
A0195790 024 |
SX |
200 + 230 |
30 |
Ø12 |
50 |
45 |
3 |
34 |
55 |
75 |
60 |
12 |
//
|
|
Materiale:
A richiesta:
Categoria Commerciale: D0