SERIE X341 - X346 Squadro sovrapposto occhio laterale

DISEGNO TECNICO

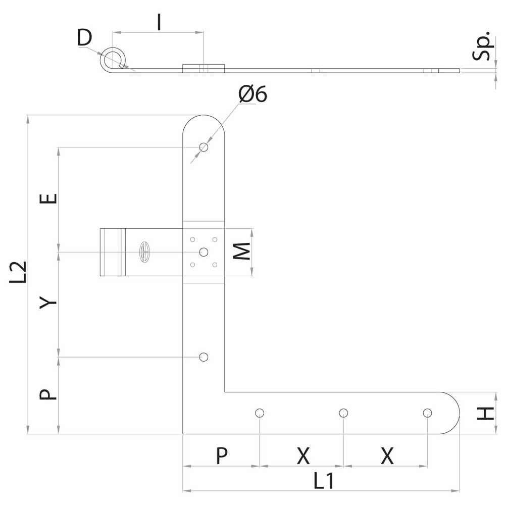
Articolo Codice Tipo L1+L2 H D I Sp. M P E X Pcks Listino B2B
X5-341-10 A0195569  024 DX 200 + 230 30 Ø12 51 3 34 55 75 60 12 //
X5-346-10 A0195570  024 SX 200 + 230 30 Ø12 51 3 34 55 75 60 12 //

Materiale:

A richiesta:

Categoria Commerciale: D0

APPLICATIVO

Go to Top