SERIE 953 Cremonese a ridosso
DISEGNO TECNICO
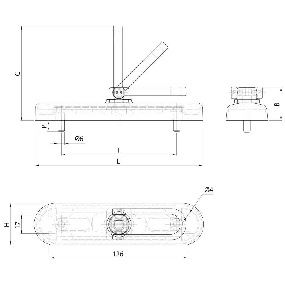
| Articolo |
Codice |
Tipo |
L |
H |
I |
B |
C |
P |
Pcks |
Applicabile |
Listino |
B2B |
| C8-953-05 |
B953M000P502 |
1 |
154 |
38 |
78-119 |
32 |
86 |
- |
10 |
Aste esterne |
//
|
|
| C8-953-10 |
B953M001P502 |
2 |
154 |
38 |
78-119 |
32 |
86 |
12 |
10 |
Aste interne |
//
|
|
Finitura:
A richiesta:
Categoria Commerciale: M0