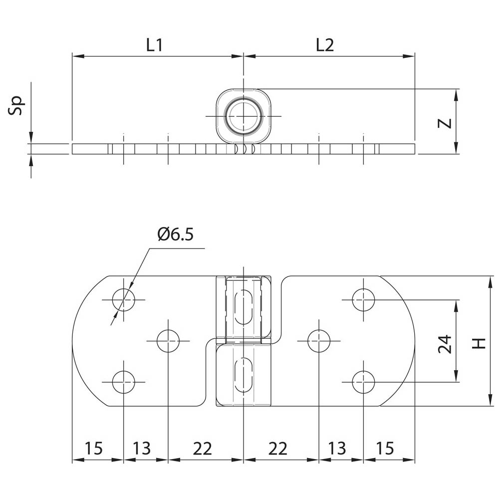
SERIE 443 Asenera autobloccante H=38
DISEGNO TECNICO
| Articolo |
Codice |
L1 + L2 |
H x Sp |
A |
Pcks |
Listino |
B2B |
| 5-443D-05 |
A0197473 502 |
50 + 50 |
38 x 3 |
19 |
24 |
//
|
|
| 5-443S-05 |
A0197471 502 |
50 + 50 |
38 x 3 |
19 |
24 |
//
|
|
Materiale:
Finitura:
A richiesta:
Categoria Commerciale: B0