Skip to content
Search for:
Home
Chi siamo
Chi siamo
Ricerca e innovazione
Flessibilità e produttività
Collaborazione
Filiera italiana
Video Aziendale
Qualità
Codice Etico
Whistleblowing
Prodotti
BANDELLE
CARDINI
CHIUSURE
FERMASCURI E MANIGLIE
FERRAMENTA GENERICA
ALLUMINIO
GALILEO
INOX
HEXT
AUTOMAZIONI
Informazioni Generali
Area Riservata
Servizi
Servizi
Su Misura
Soluzioni per il restauro
Processo Rapido e Semplice
Colori e Finiture
Supporto Tecnico
Logistica
Rete Vendita
Contatti
Rete Vendita
Account
REDD Finder
Search for:
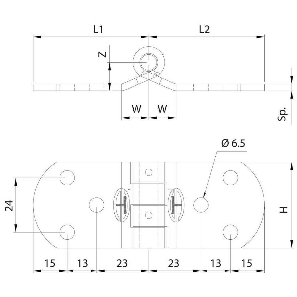
SERIE 441
Asenera 4 snodi zancata H=38
DISEGNO TECNICO
Articolo
Codice
L1 + L2
H x Sp
Z x W
Pcks
Listino
B2B
5-441-05
A0195234 502
51+51
38 x 3
12,5 x 12
24
//
AGGIUNGI AL CARRELLO
Scheda Tecnica
Materiale:
Finitura:
A richiesta:
Categoria Commerciale: B0
APPLICATIVO
Page load link
Go to Top